


| 惠斯通电桥解释 | ||||||||||||||||||||||||||||
| 点击率:1887 作者:上海拓科实业有限公司 来源:http://www.shtorke.com 时间:2017-12-6 14:55:01 | ||||||||||||||||||||||||||||
惠斯通电桥电路惠斯通电桥可以用各种方式测量电阻:
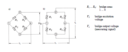
后一种方法用于应变技术。它可以测定应变片电阻的相对变化,通常精度可达 10-4 到 10-2 Ω/Ω。 下面的图片显示了惠斯通电桥的两个不同的电气连接图,它们是完全相同的:图a)显示了通常使用惠斯登电桥的菱形连接;和图b)是相同电路,这对于未经过电气训练的人来说,这将更清楚。 惠斯通电桥的四个桥臂或分支由电阻R1至R4组成。桥的角点2和3指示桥路激励电压Vs的连接;角点1和4为电桥输出电压V0即测量信号。 The bridge excitation is usually an applied, stabilized direct, or alternating voltage Vs
注意: 如果供电电压 Vs 被施加到电桥终点2和3,那么供电电压被 R1, R2 和 R4, R3 分成两个半桥,即每个半桥形成一个分压器。 由于 R1, R2 和 R3, R4. 的电阻电压不同,电桥可能不平衡。 计算如下:
如果桥路平衡,并且
则电桥输出电压 V0 为零。 在预设应变的情况下,应变计的电阻变化量 ΔR. 我们给出了以下等式:
对于应变测量,电阻 R1 和 R2 在惠斯登电桥中必须相等。 通过一些假设和简化,可以确定以下等式(在HBM的书“使用应变片进行测量的介绍”中给出了进一步的解释):
在计算的最后一步中, ΔR/R 必须由以下代替:
这里k是应变片的k系数,, ε 是应变。
方程式假设桥臂中的所有电阻都改变了。 例如,这种情况发生在传感器或被测对象执行类似的功能。 在实验应力测试中,这种情况几乎不存在,因为通常只有一部分桥臂采用应变片,其余部分由桥接电阻组成。 一般称为四分之一桥,半桥,双四分之一或斜桥和全桥。
根据不同测量任务,测量点上会使用一个或多个应变片。例如全桥、半桥或四分之一桥等表示,实际上它们是不正确的。事实上,测量电路总是完整的,由应变片和含有应变片的试样以及固定电阻来组成 ; 传感器通常要比实验应力测试有更严格的精度要求。一般来说,传感器在所有四个桥臂上都采用应变片(全桥电路)。 如果需要消除各种干扰,应采用全桥或半桥电路进行应力分析。非常重要的是,不同应力状况是有明显区别的,例如压向或拉向,以及弯曲、剪切或扭转应力等。 下表显示了应变片的几何位置、桥路的类型和桥路系数 B 对额定力、弯矩、扭矩和温度的依赖性。每个例子的小表描述的是每种影响量指定的桥路系数 B。该方程用于计算路输出信号 VO/VS 的有效应变。
注意: 符号解释:
|
||||||||||||||||||||||||||||
|
电 话:021-5102 9490 手机:180 1938 2265 邮 箱:shtorke@163.com
地 址:上海市浦东新区金桥自由贸易区金港路333号禹洲国际大厦12F 邮 编:201206
Copyright @上海拓科实业有限公司 2010-2018 All Rights Reserved 沪ICP备14020483号